Φ4mm無刷空心杯電機(MC)
產品型號:MC0408
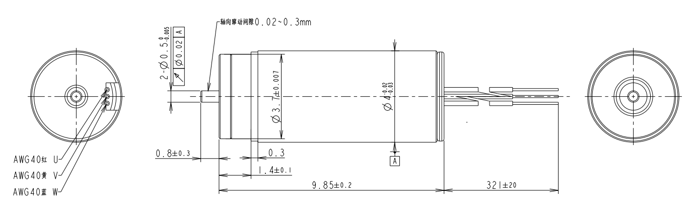
直徑(mm):4
長度(mm):8.5
額定電壓(V):5
額定轉速(rpm):41900
堵轉轉矩(mNm):0.07
堵轉電流(A) :0.19
轉矩常數(mNm/A):0.6
速度常數(rpm/V) :16667
輸出軸直徑(mm):0.5
電機參數
| 電機數據(額定值) | |
|---|---|
| 額定電壓(V) | 5 | 
| 空載轉速(rpm) | 58000 | 
| 空載電流(A) | 0.045 | 
| 額定轉速 (rpm) | 41900 | 
| 額定轉矩(mNm) | 0.02 | 
| 額定電流(A) | 0.095 | 
| 堵轉轉矩(mNm) | 0.19 | 
| 堵轉電流(A) | 0.85±20% | 
| 最大效率(%) | 20 | 
| 電機常數(額定值) | |
|---|---|
| 相間電阻(Ω) | 26.4 | 
| 相間電感(mH) | 0.07 | 
| 轉矩常數(mNm/A) | 0.6 | 
| 速度常數(rpm/V) | 16667 | 
| 轉速/轉矩斜度(rpm/mNm) | 789337 | 
| 機械時間常數(ms) | 4.2 | 
| 轉子慣量(gcm2) | 0.0006 | 
| 熱參數 | |
|---|---|
| 機殼-環境熱阻(K/W) | / | 
| 繞組-機殼熱阻(K/W) | / | 
| 繞組熱時間常數(s) | / | 
| 電機熱時間常數(s) | / | 
| 環境溫度(℃) | -20~+100 | 
| 最高繞組溫度(℃) | +125 | 
| 機械參數(滾珠軸承) | |
|---|---|
| 最大允許轉速(rpm) | 100 000 | 
| 最大軸向間隙(mm) | < 0.15 N? ?0 | 
| > 0.15 N? ?0.3(max) | |
| 徑向間隙 | preloaded | 
| 最大軸向動態載荷(N) | 0.1 | 
| 最大允許安靜態裝力(N) | 10 | 
| 最大徑向載荷,距離法蘭處2mm處(N) | 2 | 
| 端子型號 | |
|---|---|
| AFJ AWG40 | 
設計圖紙
 
















 
 
						 
						 
						
 查看詳情
查看詳情


 
			 
			 
			 
			 Φ4mm無刷空心杯電機(MC)規格書
Φ4mm無刷空心杯電機(MC)規格書
 
 
 
 
 
 
 
